Cajas, Conexionado y Comando
Cajas EWJB
Gabinete seguridad aumentada en chapa. De 200x200 a 600x450mm. IP65.
-

Aplicaciones
Caja de seguridad aumentada para alojar elementos de conexionado eléctrico u otro equipamiento certificado dentro de atmósferas con presencia de gases o polvos explosivos en suspensión.
-

Gas
Zona 1 y Zona 2 según IEC 60079-14 (Ed.5) Certificadas como: Ex e IIC según IEC 60079-7 (Ed. 4) (para caja vacía). Ex e IIC T6 Gb según IEC 60079-7 (Ed.4) (para caja c/bornes). Ex ia IIC T6 Ga según IEC 60079- 11 (Ed.5) (para caja c/bornes).
-

Polvo
: Zona 21 y 22 según IEC 60079-14 (Ed. 5) Certificadas como: Ex tb IIIC según IEC 60079-31 (Ed.1) (para caja vacía). Ex tb IIIC T6 Db según IEC 60079-31 (Ed.1) (para caja c/bornes).
-

Grado de protección
IP 65
-
Descripción
-
Productos
-
Descargas
Gabiente de seguridad aumentada certificada bajo normas IEC 60079 para uso en atmósferas con riesgo de explosión. Apta para zonas con presencia de gases o polvos explosivos.
CARACTERÍSTICAS
• Gabinete y tapa en acero inoxidable AISI 304 de espesor 1,5 mm.
• Tapa rebatible para apertura derecha o izquierda.
• Orejas de fijación con posición intercambiable.
• Burlete EPDM.
• Tornillería y herrajes en acero inoxidable AISI 304, según correponda cada gabinete.
• Bandeja de chapa de hierro interna, con terminación en pintura poliéster color naranja.
• Pintura esmalte sintético de secado rápido color gris.
A pedido: Gabinete de chapa DD con terminación en pintura poliéster RAL 7032.
EJEMPLO DE PEDIDO
• EWJB xxxxxx = Caja de seguridad aumentada en AISI 304 EWJB modelo xxxxxx.
• EWJB xxxxxxL = Caja de seguridad aumentada con lateral inferior desmontable en AISI 304 EWJB modelo xxxxxx
• EWJB xxxxxxH = Caja de seguridad aumentada en chapa de hierro con pintura poliéster RAL 7032, EWJB modelo xxxxxx.
• EWJB xxxxxx# = Caja de seguridad aumentada customizada en AISI 304 EWJB modelo xxxxxx, opciones:
- Agujeros pasantes en laterales para acceso eléctrico.
- Bornes de conexionado.
- Otros componentes internos.
- TAG identificación.
- Gabinetes en chapa de acero DD de espesor 1,6 ó 2,1 mm, ó acero inoxidable AISI 316.
(xxxx= Ver opciones disponibles en solapa de producto)
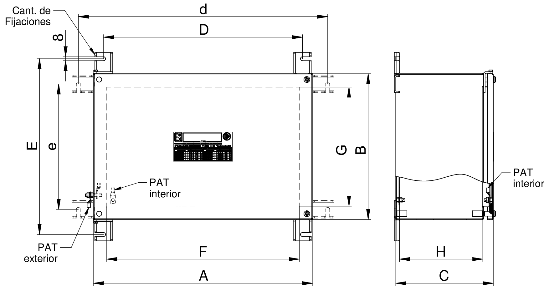
| Código | Ancho mm (F) | Alto mm (G) | Profundidad mm (H) | Bandeja mm |
| EWJB 202015 | 150 | 150 | 115 | 140x140 |
| EWJB 252015 | 200 | 150 | 115 | 190x140 |
| EWJB 302515 | 250 | 200 | 115 | 240x190 |
| EWJB 302520 | 250 | 200 | 165 | 240x190 |
| EWJB 453020 | 400 | 250 | 165 | 390x240 |
| EWJB 453025 | 400 | 250 | 215 | 390x240 |
| EWJB 454520 | 400 | 400 | 165 | 390x390 |
| EWJB 454525 | 400 | 400 | 215 | 390x390 |
| EWJB 604520 | 550 | 400 | 165 | 540X390 |
| EWJB 604525 | 550 | 400 | 215 | 540x390 |
* Medidas Internas.
* Ver mayor información en página de catálogo de producto.
2026 © DELGA S.A.I.C. y F. - ILUMINACIÓN Áreas clasificadas. - Todos los derechos reservados.
Informamos que los siguientes dominios pertenecen a la misma compañía y están bajo la misma administración técnica: delga.com / delga.com.ar.